電動通風蝶閥
來源:上海沃電閥門科技有限公司?? 作者:電動蝶閥球閥執行器廠家?? 點擊量:3570
驅動能源: 電動執行器
型號: D941W
標準: 國標
壓力環境: 常壓
加工定制: 是
產品用途: 石油、化工、電力、能源、船舶、冶金、建材、造紙、鍋爐設備

【產品概述】
電動通風蝶閥又稱電動風量調節蝶閥,由角行程電動執行器和電動蝶閥組成,采用中線式碟板與短結構鋼板焊接的新型結構形式設計制造,適用于兩位切斷的場合,閥體相同材料加工成密封圈,其適用溫度隨閥體選材而定,公稱壓力1.0MPa,主要于工業、冶金、煙氣除塵、環保等管道作為氣體介質調節流量或切斷。不適應耐高溫、高壓及耐腐蝕、抗磨損等行業。
【性能特點】
【工作原理】
電動通風蝶閥由電動執行器輸入電源信號,依靠電壓驅動使碟板在90°范圍內自由轉動,以達到介質流量的啟閉或調節,特別適用于壓力不是很高的的空氣或其它氣體等低壓場所的流量調節及壓力控制,此外在高溫狀態的氣體及蝕性介質工況中也被廣泛適用。
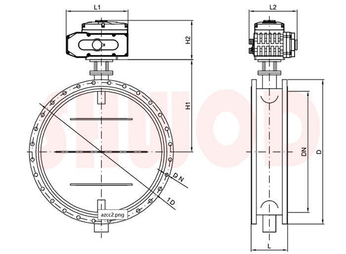
【外形尺寸】

| 規格 | D | D1 | N—D | H1 | H2 | L | L1 | L2 |
| mm | ||||||||
| DN65 | 160 | 130 | 4—14 | 282 | 135/270 | 112 | 165/320 | 150/220 |
| DN80 | 190 | 150 | 4—18 | 313 | 135/270 | 114 | 165/320 | 150/220 |
| DN100 | 210 | 170 | 4—18 | 380 | 135/270 | 127 | 165/320 | 150/220 |
| DN125 | 240 | 200 | 8—18 | 396 | 135/270 | 140 | 165/320 | 150/220 |
| DN150 | 265 | 225 | 8—18 | 409 | 135/270 | 140 | 165/320 | 150/220 |
| DN200 | 320 | 280 | 8—18 | 619 | 135/270 | 152 | 165/320 | 150/220 |
| DN250 | 375 | 335 | 12—18 | 649 | 140/275 | 165 | 190/355 | 170/250 |
| DN300 | 440 | 395 | 12—22 | 681 | 140/275 | 180 | 190/355 | 170/250 |
| DN350 | 490 | 445 | 12—22 | 709 | 140/315 | 180 | 190/375 | 170/290 |
| DN400 | 540 | 495 | 16—22 | 733 | 170/315 | 200 | 270/375 | 220/290 |
| DN450 | 595 | 550 | 16—22 | 761 | 170/315 | 200 | 270/375 | 220/290 |
| DN500 | 645 | 600 | 20—22 | 789 | 170/315 | 220 | 270/375 | 220/290 |
【生產環境】











